Описание
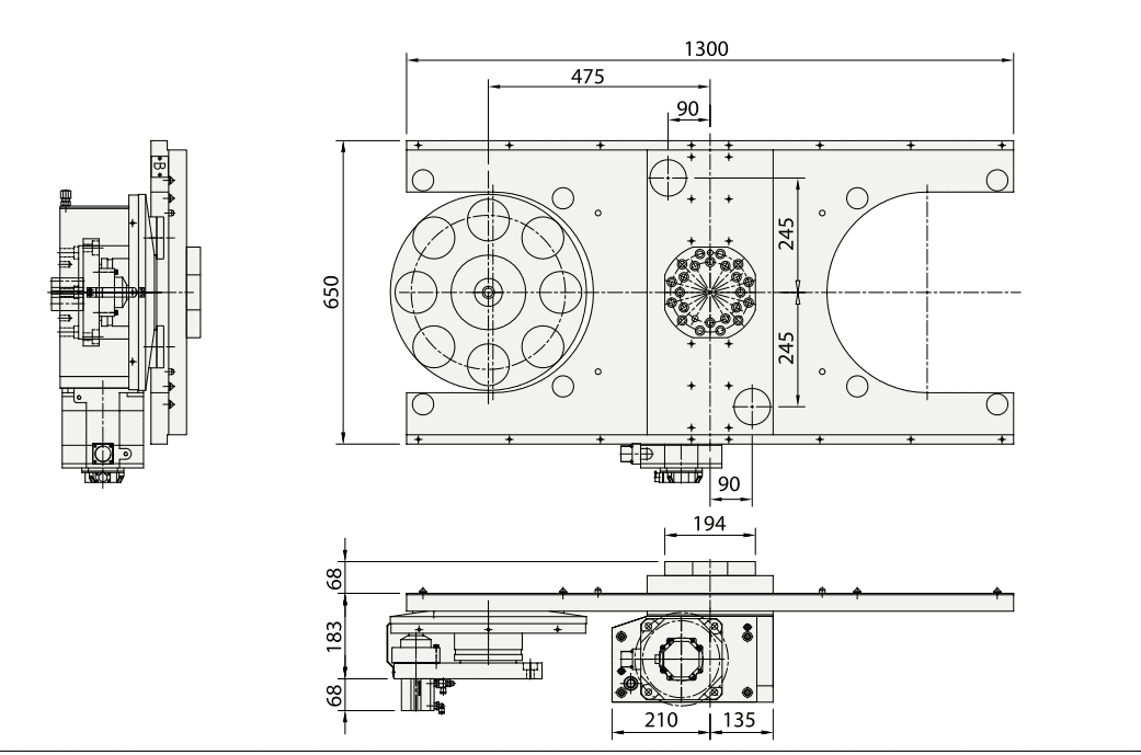
Поворотный стол вильчатого типа ARC-500
Диаметр рабочего стола 500х500, количество паллет – 2 шт.
Паллеты сменяются благодаря вращению от гидравлической системы
Градус смены паллет – 180 град.
Гидравлическое давление 6МПа/870фт
Шаг 60 мм
Максимальный вес детали 500х2
Преимущества поворотных столов Detron:
Со стороны системы позиционирования
- Высокая цилиндричность и шероховатость
- Высокая точность при позиционировании зажима в центральном отверстии
- Увеличенный диаметр шпинделя позволяет установить многопотоковый маслораспределитель
Со стороны червячного вала
- На столах detron установлен высокоточный двухзаходной червячный вал с увеличенной длиной зубьев
- Осевое отклонение позволяет поддерживать радиальную геометрическую точность
- Червячный вал установлен в нижней части стола в горизонтальном положении и полностью погружен в масло. Это обеспечивает полную смазку и охлаждение вала.
- Увеличенная концентричность и точность вала за счет использования штифта между валом и втулкой.
Со стороны шпинделя
- В шпинделе установлены высокоточные подшипники типа YTR
- Единая конструкция шпинделя обеспечивает увеличенную жесткость в тяжелых режимах работы, высокую точность индексации и повторяемость.
Со стороны тормозной системы
- Полностью закрытый тормозной барабан обеспечивает полную герметичность, позволяя работать при высоком и повышенном давлении (до 5 Мпа)
- Округлая цилиндрическая форма тормозного диска сокращает отклонения центра при вращении и ошибки позиционирования при торможении
Водонепроницаемая конструкция
- Корпус поворотных столов Detron имеет класс водонепроницаемости IP65
- Все электрические узлы защищены О – образным уплотнительным кольцом для предотвращения попадания конденсата.
Характеристики
- Производитель: Detron
