Характеристики
- Производитель Hold Well
- Сверление Ø20
- Резьба M16
- Max. скорость 4000 об/мин
- Передаточное число 1:1
- Тип BT 40
- Крутящий момент 60Нм
- Материал Аэрокосмический алюминий
Описание
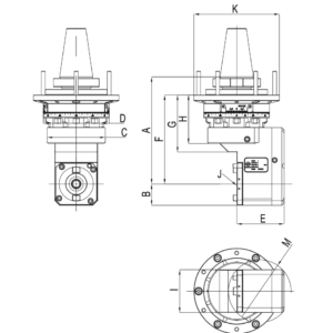
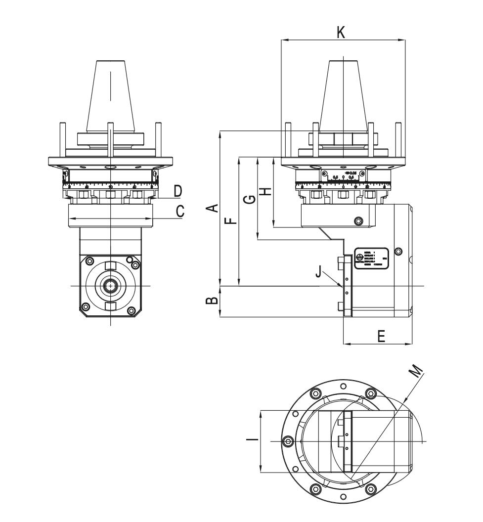
Алюминиевая угловая головка со смещением типа BT AHK-BT50-D1
Диаметр сверления – Ø20 мм, резьба M16. Максимальная скорость вращения – 4000 об/мин.
Головка монтируется непосредственно на поверхности шпинделя станка.
Смещенная конструкция повышенной прочности устраняет выступ инструментов и повышает рабочую жесткость.
Специальная конструкция фиксатора инструмента обеспечивает более легкое зацепление и высвобождение инструмента.
Корпус изготовлен из аэрокосмического алюминиевого сплава и кованного чугуна, благодаря которым увеличивается срок эксплуатации даже при тяжелой резке.
Направление резки регулируется от 0 до 360 градусов, что создает возможность увеличения момента зажима и сохранение направления резки во время обработки.

A 225 | B 45 | C 122 | D 138 | E 100 | F 187 | G 120 | H 102 | I 90 | J BT 40 | K 180 | M 132
Вращение выходного сигнала идентично входному.
Характеристики
- Производитель: Hold Well
- Сверление: Ø20
- Резьба: M16
- Max. скорость: 4000 об/мин
- Передаточное число: 1:1
- Тип: BT 40
- Крутящий момент: 60Нм
- Материал: Аэрокосмический алюминий
- Биение: 0.002 mm