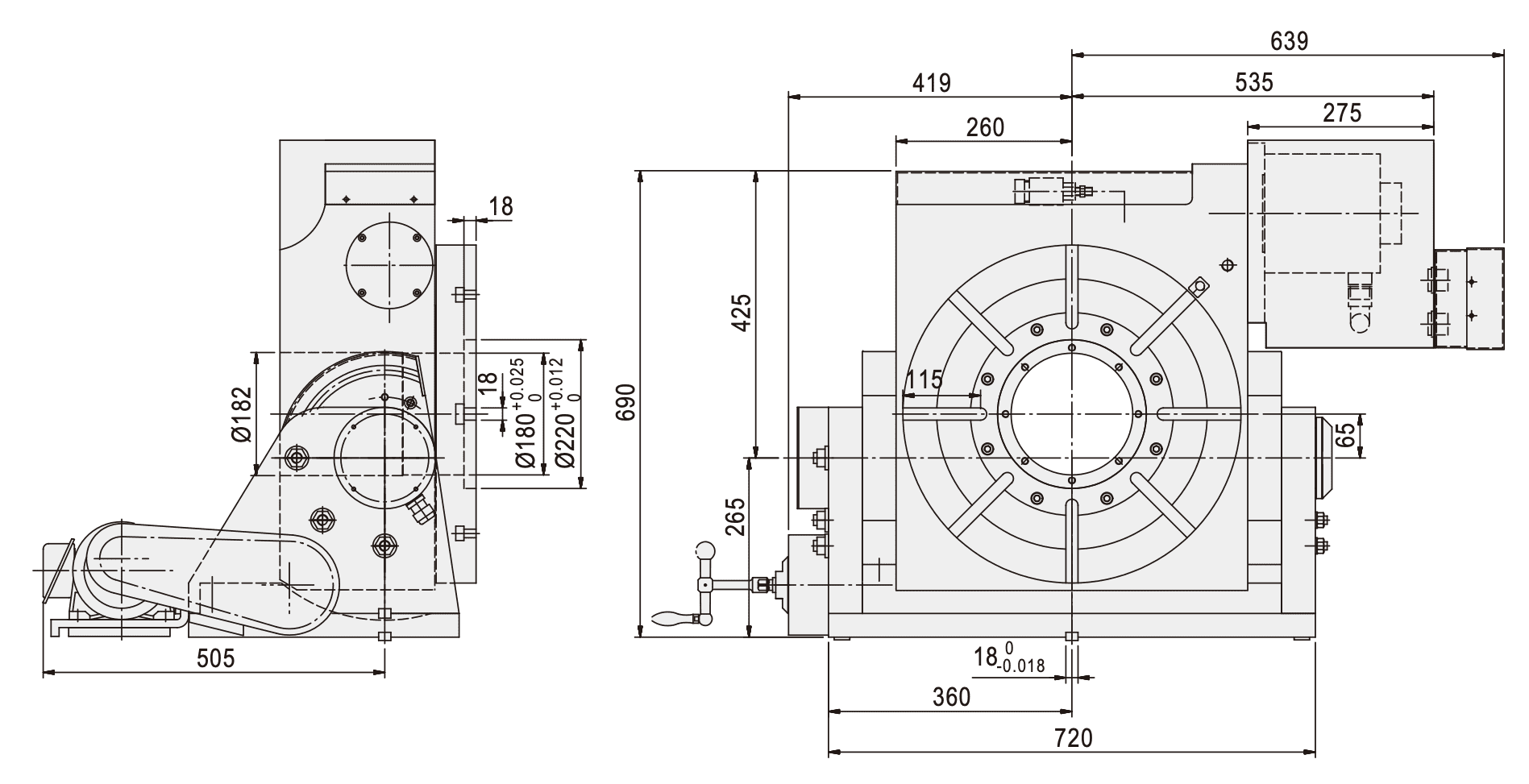
Характеристики
- Производитель GSA
- Тип Наклонно-поворотный стол
- Диаметр стола 500 мм
- Диаметр центрального отверстия, (мм) -
- сквозного отверстия 180H7 мм
- Высота стола горизонталь 330 мм
- Тип тормоза Пневматический
- Ширина Т – образного паза 18H7 мм
Описание
Наклонно-поворотный индексный стол c ЧПУ GSA CNCMT-500

- Диаметр рабочего стола Ø500, диаметр центрального отверстия 180H7;
- Максимальный угол наклона 0°~100°;
- Подходит для обычных фрезерных, расточных и нарезающих резьбу станков;
- Наклон стола производится вручную, вращение производится с помощью управления с ЧПУ.
Преимущества поворотных столов GSA:
Двухзаходной червячный вал
✔️Обеспечивает повышенную сопротивляемость износу;
✔️Поверхностный контакт между червячным колесом и червячным валом может достигать 35%~45%;
✔️ Подходит для работ в тяжелых режимах.
Высокая точность индексации
✔️ Класс точности индексирования: 10 (сек.) при стандартных 15 сек;
✔️ Повторяемость: 4 (сек.);
✔️Соответствует международным стандартам ISO 230-2, благодаря чему подходит для аэрокосмической и военной промышленности.
Усиленная система планшайбы
✔️Усилие зажима больше в 2 ~ 3 раза по сравнению с другими брендами-производителями;
✔️ Система из нескольких тормозных дисков обеспечивает зажим с 4х сторон трения;
✔️ Крутящий момент 200 кг/м от пневматического источника 5 кг/ см2;
✔️ Повышенная прочность конструкции исключает вертикальное смещение оси во время вращения.
Усиленная система подшипников
✔️ Разработано ограничение с 3 сторон, которое поддерживает усилие больше, чем тот же размер поперечного роликового кольца (подшипника) более чем в 2 раза;
✔️ Двойные подшипники увеличивают рабочий диаметр кольца подшипника и подходят для тяжелой резки.
Класс точности муфт Хирта
Класс точности индексирования: ±3 (сек.);
✔️ Повторяемость: ±1 (сек.);
✔️ Пятно контакта поверхности зубов может достигать 90%.
Передаточное число
✔️ Высокоскоростные столы GSA соответствуют требованиям высокоскоростных станков с холостым ходом 60 м/мин;
✔️ Передаточное отношение 90: 1 может достигать 33 об / мин, при скорости двигателя: 3000 об / мин.
Характеристики
- Производитель: GSA
- Тип: Наклонно-поворотный стол
- Диаметр стола: 500 мм
- Диаметр центрального отверстия, (мм): -
- сквозного отверстия: 180H7 мм
- Высота стола горизонталь: 330 мм
- Тип тормоза: Пневматический
- Ширина Т – образного паза: 18H7 мм
- Ширина ползуна: 18H7 мм
- Тип тормоза/давление, (Мпа): пневм/0.6
- Передаточное число: 3:00
- Макс. скорость стола мин-1: 16 | 7 мин-1
- Допустимая нагрузка горизонт: 600 кг
- Допустимая нагрузка по вертикали: 350 кг
- Разрешение град.: 0.001 град.
- Повторяемость: 4 сек
- Допустимая нагрузка при зажиме F: 1880 H
- Допустимая нагрузка при зажиме F x L: 3800 Н*м
- Точность индексации: 15 сек.
- Сила зажима: 160 Н*м
- Вес нетто (без серво двигателя): 450 кг
- Допустимый крутящий момент: -