Характеристики
- Производитель GSA
- Тип Поворотный стол
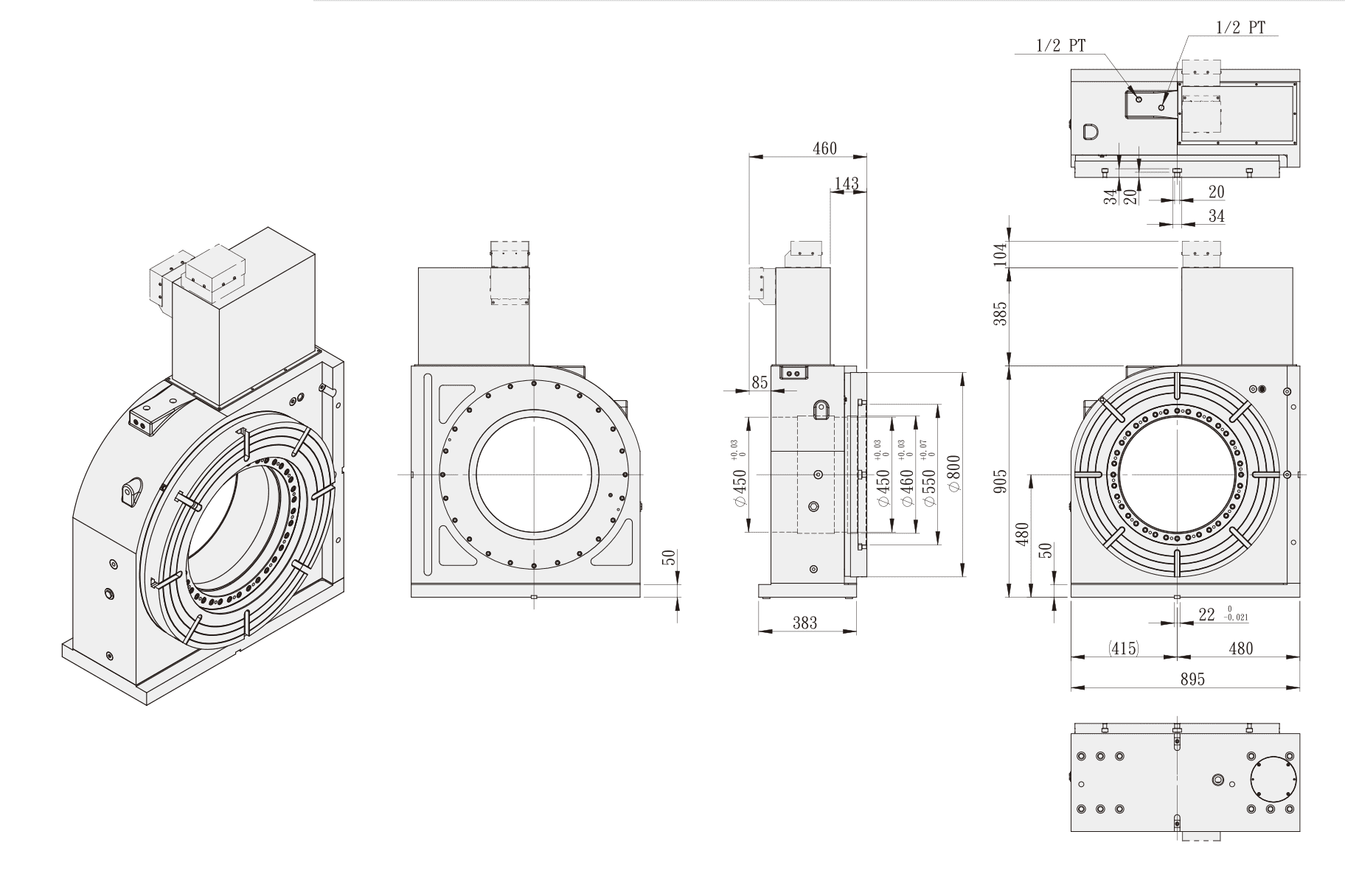
- Диаметр стола 800 мм
- Диаметр центрального отверстия, (мм) -
- сквозного отверстия 450H7 мм
- Высота стола горизонталь 480 мм
- Тип тормоза Пневматический
- Ширина Т – образного паза 20H7 мм
Описание
Индексный поворотный стол c ЧПУ GSA CNCB-800RT

- Диаметр рабочего стола Ø800, диаметр сквозного отверстия 450H7.
- Максимальная скорость стола 11.1 мин-1
- Система полного привода состоит из двухзаходного червячного вала, что позволяет увеличить эффективность и уменьшить отклонения.
- Комбинация высокоточного бронзово-никелевого червячного колеса и червячного винта из закаленной стали обеспечивает долговременную точность индексации.
- Увеличенный диаметр сквозного отверстия позволяет пропускать большие заготовки через шпиндель.
- Совместим со всеми системами ЧПУ.
Преимущества поворотных столов GSA:
Двухзаходной червячный вал
✔️Обеспечивает повышенную сопротивляемость износу;
✔️Поверхностный контакт между червячным колесом и червячным валом может достигать 35%~45%;
✔️ Подходит для работ в тяжелых режимах.
Высокая точность индексации
✔️ Класс точности индексирования: 10 (сек.) при стандартных 15 сек;
✔️ Повторяемость: 4 (сек.);
✔️Соответствует международным стандартам ISO 230-2, благодаря чему подходит для аэрокосмической и военной промышленности.
Усиленная система планшайбы
✔️Усилие зажима больше в 2 ~ 3 раза по сравнению с другими брендами-производителями;
✔️ Система из нескольких тормозных дисков обеспечивает зажим с 4х сторон трения;
✔️ Крутящий момент 200 кг/м от пневматического источника 5 кг/ см2;
✔️ Повышенная прочность конструкции исключает вертикальное смещение оси во время вращения.
Усиленная система подшипников
✔️ Разработано ограничение с 3 сторон, которое поддерживает усилие больше, чем тот же размер поперечного роликового кольца (подшипника) более чем в 2 раза;
✔️ Двойные подшипники увеличивают рабочий диаметр кольца подшипника и подходят для тяжелой резки.
Класс точности муфт Хирта
Класс точности индексирования: ±3 (сек.);
✔️ Повторяемость: ±1 (сек.);
✔️ Пятно контакта поверхности зубов может достигать 90%.
Передаточное число
✔️ Высокоскоростные столы GSA соответствуют требованиям высокоскоростных станков с холостым ходом 60 м/мин;
✔️ Передаточное отношение 90: 1 может достигать 33 об / мин, при скорости двигателя: 3000 об / мин.
Характеристики
- Производитель: GSA
- Тип: Поворотный стол
- Диаметр стола: 800 мм
- Диаметр центрального отверстия, (мм): -
- сквозного отверстия: 450H7 мм
- Высота стола горизонталь: 480 мм
- Тип тормоза: Пневматический
- Ширина Т – образного паза: 20H7 мм
- Ширина ползуна: 22H7 мм
- Тип тормоза/давление, (Мпа): пневм/0.6
- Передаточное число: 4:00
- Макс. скорость стола мин-1: 11.1 мин-1
- Допустимая нагрузка горизонт: 3000 кг
- Допустимая нагрузка по вертикали: 1500 кг
- Разрешение град.: 0.001 град.
- Повторяемость: 4/8 сек
- Допустимая нагрузка при зажиме F: 5000 H
- Допустимая нагрузка при зажиме F x L: 16000 Н*м
- Точность индексации: 15 сек
- Сила зажима: 350 Н*м
- Вес нетто (без серво двигателя): 1060 кг