Характеристики
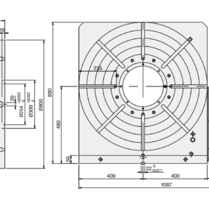
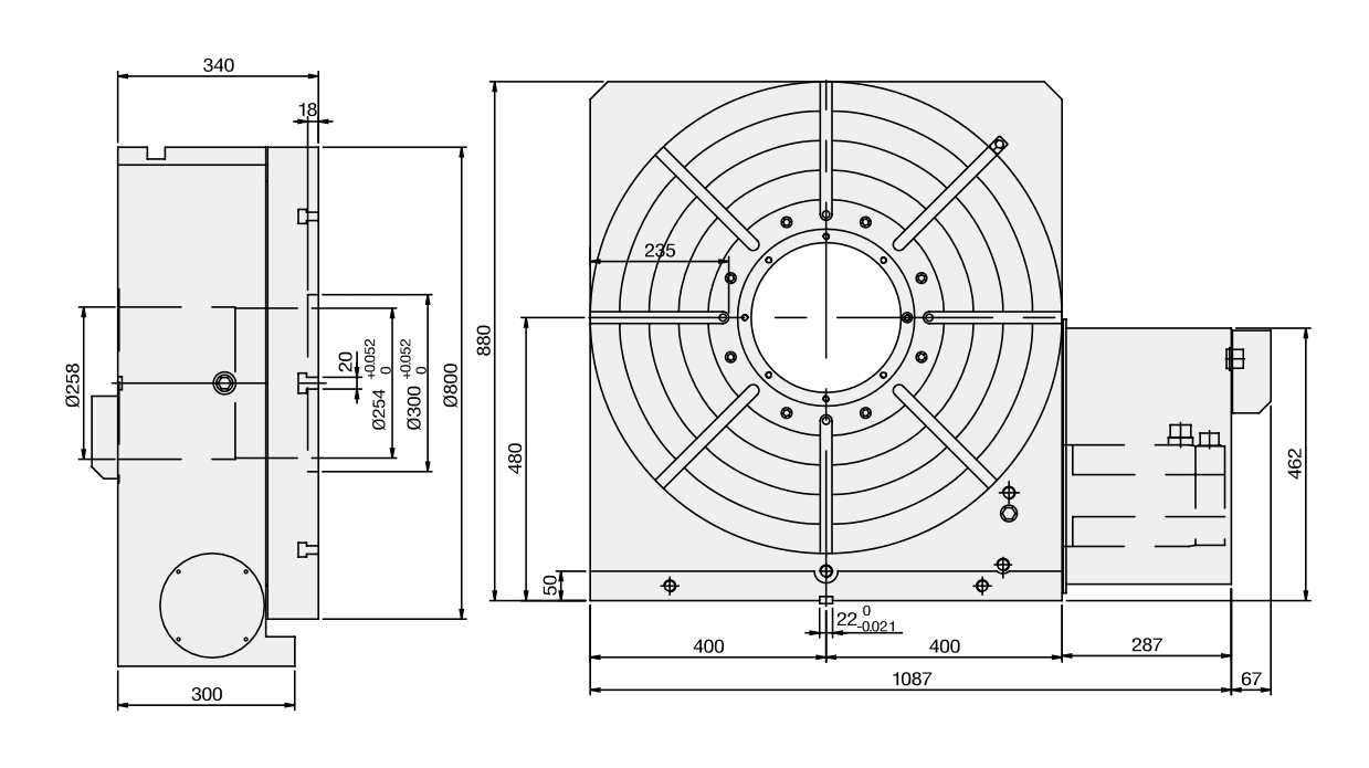
- Диаметр стола, (мм) 800
- Диаметр сквозного отверстия, (мм) 254
- Высота центра стола, (мм) 480
- Ширина Т-образного паза, (мм) 20
- Ширина ползуна, (мм) 22
- Тип тормоза/давление, (Мпа) гидр/105
- Тип тормоза Гидравлический
- Передаточное число 4:00
Описание
Индексный поворотный стол c ЧПУ GSA CNC-800R

- Диаметр рабочего стола Ø800, диаметр сквозного отверстия 254H7.
- Максимальная скорость стола 11.1 мин-1
- Система полного привода состоит из двухзаходного червячного вала, что позволяет увеличить эффективность и уменьшить отклонения.
- Стол оснащен двойным подшипником, обеспечивающим тяжелую резку.
- Увеличенный диаметр сквозного отверстия позволяет пропускать большие заготовки через шпиндель.
- Конструкция с низким передаточным отношением (180: 1), обеспечивает высокую скорость подачи.
- Совместим со всеми системами ЧПУ.
Преимущества поворотных столов GSA:
Двухзаходной червячный вал
✔️Обеспечивает повышенную сопротивляемость износу;
✔️Поверхностный контакт между червячным колесом и червячным валом может достигать 35%~45%;
✔️ Подходит для работ в тяжелых режимах.
Высокая точность индексации
✔️ Класс точности индексирования: 10 (сек.) при стандартных 15 сек;
✔️ Повторяемость: 4 (сек.);
✔️Соответствует международным стандартам ISO 230-2, благодаря чему подходит для аэрокосмической и военной промышленности.
Усиленная система планшайбы
✔️Усилие зажима больше в 2 ~ 3 раза по сравнению с другими брендами-производителями;
✔️ Система из нескольких тормозных дисков обеспечивает зажим с 4х сторон трения;
✔️ Крутящий момент 200 кг/м от пневматического источника 5 кг/ см2;
✔️ Повышенная прочность конструкции исключает вертикальное смещение оси во время вращения.
Усиленная система подшипников
✔️ Разработано ограничение с 3 сторон, которое поддерживает усилие больше, чем тот же размер поперечного роликового кольца (подшипника) более чем в 2 раза;
✔️ Двойные подшипники увеличивают рабочий диаметр кольца подшипника и подходят для тяжелой резки.
Класс точности муфт Хирта
Класс точности индексирования: ±3 (сек.);
✔️ Повторяемость: ±1 (сек.);
✔️ Пятно контакта поверхности зубов может достигать 90%.
Передаточное число
✔️ Высокоскоростные столы GSA соответствуют требованиям высокоскоростных станков с холостым ходом 60 м/мин;
✔️ Передаточное отношение 90: 1 может достигать 33 об / мин, при скорости двигателя: 3000 об / мин.
Характеристики
- Диаметр стола, (мм) : 800
- Диаметр сквозного отверстия, (мм): 254
- Высота центра стола, (мм): 480
- Ширина Т-образного паза, (мм): 20
- Ширина ползуна, (мм): 22
- Тип тормоза/давление, (Мпа): гидр/105
- Тип тормоза: Гидравлический
- Передаточное число: 4:00
- Макс. скорость стола, (об/мин): 11 | 1
- Max нагрузка F, (Н): 60000
- Max нагрузка FL, (Н*м): 10000
- Max радиальная нагрузка FL, (Н*м): 10500
- Сила зажима, (Н*м): 3500
- Минимальная ед. изм.,(° градусы): 0 | 001
- Точность индексации, (сек): 15
- Повторяемость, (сек): 4/8
- В вертикальном положении, (кг): 600
- В горизонтальном положении, (кг): 1500
- Вес, (кг): 1200
- Производитель: GSA