Характеристики
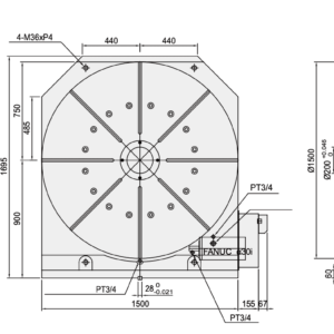
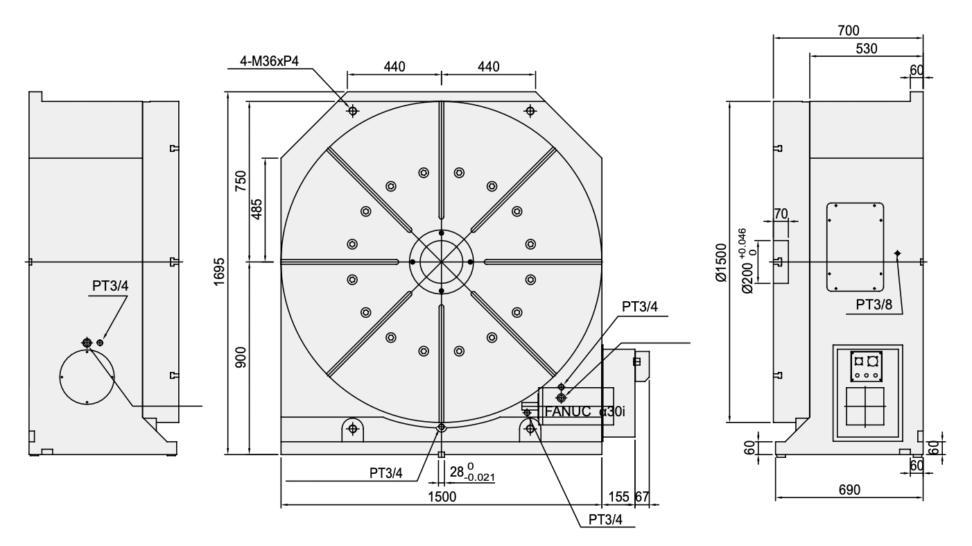
- Диаметр стола, (мм) 1500
- Диаметр сквозного отверстия, (мм) 200х70
- Высота центра стола, (мм) 900
- Ширина Т-образного паза, (мм) 22
- Ширина ползуна, (мм) 28
- Пневм давление, (МПа) -
- Тип тормоза Гидравлический
- Тип тормоза/давление, (Мпа) гидр/150
Описание
Крупногабаритный поворотный стол c ЧПУ GSA CNC-1500HV

- Размер рабочего стола 1500 мм, ширина центрального отверстия 200 мм;
- Максимальная скорость стола 2.78 мин-1 ;
- Максимальный крутящий момент – 600 кг/м;
- Стол оснащен радиально-осевыми подшипниками, обеспечивающими высокую жесткость;
- Есть возможность изготовления по индивидуальным чертежам как в вертикальном, так и в горизонтальном положении.
Преимущества поворотных столов GSA:
Высокая точность индексации
✔️ Класс точности индексирования: 10 (сек.) при стандартных 15 сек;
✔️ Повторяемость: 4 (сек.);
✔️Соответствует международным стандартам ISO 230-2, благодаря чему подходит для аэрокосмической и военной промышленности.
Усиленная система планшайбы
✔️Усилие зажима больше в 2 ~ 3 раза по сравнению с другими брендами-производителями;
✔️ Система из нескольких тормозных дисков обеспечивает зажим с 4х сторон трения;
✔️ Крутящий момент 200 кг/м от пневматического источника 5 кг/ см2;
✔️ Повышенная прочность конструкции исключает вертикальное смещение оси во время вращения.
Усиленная система подшипников
✔️ Разработано ограничение с 3 сторон, которое поддерживает усилие больше, чем тот же размер поперечного роликового кольца (подшипника) более чем в 2 раза;
✔️ Двойные подшипники увеличивают рабочий диаметр кольца подшипника и подходят для тяжелой резки.
Класс точности муфт Хирта
Класс точности индексирования: ±3 (сек.);
✔️ Повторяемость: ±1 (сек.);
✔️ Пятно контакта поверхности зубов может достигать 90%.
Передаточное число
✔️ Высокоскоростные столы GSA соответствуют требованиям высокоскоростных станков с холостым ходом 60 м/мин;
✔️ Передаточное отношение 90: 1 может достигать 33 об / мин, при скорости двигателя: 3000 об / мин.
Характеристики
- Диаметр стола, (мм) : 1500
- Диаметр сквозного отверстия, (мм): 200х70
- Высота центра стола, (мм): 900
- Ширина Т-образного паза, (мм): 22
- Ширина ползуна, (мм): 28
- Пневм давление, (МПа): -
- Тип тормоза: Гидравлический
- Тип тормоза/давление, (Мпа): гидр/150
- Передаточное число: 13:00
- Макс. скорость стола, (об/мин): 2 | 28
- Max нагрузка F, (Н): 70000
- Max нагрузка FL, (Н*м): 30000
- Max радиальная нагрузка FL, (Н*м): 15000
- Сила зажима, (Н*м): 6000
- Минимальная ед. изм.,(° градусы): 0 | 001
- Точность индексации, (сек): 5/10
- Повторяемость, (сек): 4
- В вертикальном положении, (кг): 3000
- В горизонтальном положении, (кг): 8000
- Вес, (кг): 6000
- Производитель: GSA