Гидроцилиндр сквозной P2110S, Chandox - купить в Компания "Задел" с доставкой

Этот сайт использует cookie, чтобы обеспечить удобство работы пользователей, а также в технических, аналитических и рекламных целях. Нажимая кнопку «Принять» и/или продолжая работу с сайтом, Вы даете Согласие на обработку ваших персональных данных в соответствии с Политикой обработки персональных данных.

Гидроцилиндр сквозной P2110S, Chandox

Артикул: P2110S

Характеристики

  • G 125
  • Производитель Chandox
  • Макс. рабочая сила сжатия, кгс (кН) 6900(67,6)
  • Площадь поршня, тянущая сторона, см2 223,5
  • Площадь поршня, сторона толкания, см2 232
  • Макс. давление, кгс/см2 35
  • Расход масла, л/мин 6
  • Момент инерции, кг·м2 0,2
Все характеристики

Описание

Тонкий поворотный гидравлический цилиндр со сквозным отверстием Chandox P2110S

Диаметр поршня – 210 мм, максимальная скорость – 3500 об/мин, резьба втягивающей трубы: M115x2P

Применяется в качестве привода для передачи тягового усилия через втягивающую трубу к патрону токарного станка с ЧПУ.

Пруток/заготовка подается сквозь полый гидроцилиндр в шпиндельную трубу и далее в токарный патрон для последующей обработки.

Преимущества гидроцилиндра Chandox P2110S:

  • Сверхтонкий и легкий: тонкая внешняя структура делает вес легче, чем у традиционных роторных цилиндров, а компактность и миниатюрность снижают нагрузку на станок;
  • Большой диаметр сквозного отверстия позволяет увеличить диапазон захвата прутка;
  • Благодаря встроенному “обратному клапану” можно эффективно предотвратить вылет деталей при резком снижении давления;
  • Подходит для установки на большинстве токарных станков с ЧПУ.

 

Характеристики

  • G: 125
  • Производитель: Chandox
  • Макс. рабочая сила сжатия, кгс (кН): 6900(67,6)
  • Площадь поршня, тянущая сторона, см2: 223,5
  • Площадь поршня, сторона толкания, см2: 232
  • Макс. давление, кгс/см2: 35
  • Расход масла, л/мин: 6
  • Момент инерции, кг·м2: 0,2
  • Диаметр поршня, мм: 210
  • Ход поршня, мм: 30
  • Скорость вращения, об/мин: 3500
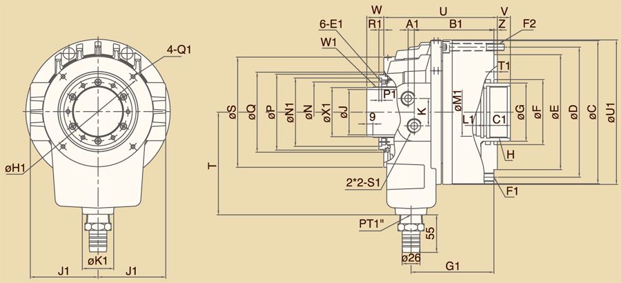
  • Макс. рабочая сила сбоку, кгс (кН): 6650(65,2)
  • A1: 12
  • B1: 152.2
  • C: 266
  • C1: 35
  • D: 240
  • D1: 240
  • E (h7): 200
  • E1: M6x1P
  • F: 135
  • F1: 12-M12×1.75P
  • F2: 12-M12×1.75P
  • G1: 158.5
  • H: M115×2P
  • H1: 201
  • J (Внутренний ø отверстия): 106
  • J1: 125
  • K: 40
  • K1: 46
  • L1: 15
  • M1: 110
  • N: 133
  • N1: 145
  • P: 160
  • P1: 4
  • Q: 166
  • Q1: M6x1P
  • R1: 10.5
  • S: 210
  • S1: PT1/2
  • T: 200
  • T1: 5
  • U: 216.7
  • U1: 284
  • V max: 19
  • V min: -11
  • W max: 58.2
  • W1: M118x2P
  • W min: 28.2
  • X1: 114.8
  • Z: 5
  • Макс. усилие эксплуатации (внешняя сторона), kgf: 6650
  • Макс. оборотов/мин, r.p.m: 3500
  • Диаметр поршня, mm: 210
  • Резьба втягивающей трубы: M115×2P
  • Момент инерции, kg x m2: 0.20
  • Скорость утечки масла, l/min: 6.0
  • Максимальное давление, kgf/cm2: 35
  • Площадь поршня со стороны тяги, cm2: 223.5
  • Макс. усилие эксплуатации (внутренняя сторона), kgf: 6900
  • Вес, кг: 35.8
Под заказ
Подарок за первый заказ. Запросите предложение

Похожие товары

Под заказ
Гидроцилиндр глухой LS1330RE(A), Chandox
Гидроцилиндр глухой LS1330RE(A), Chandox

Артикул LS1330RE(A)

Скорость вращения, об/мин 6000

Ход поршня, мм 30

Момент инерции, кг·м2 0,03

Расход масла, л/мин 1,2

Цена по запросу
Под заказ
Гидроцилиндр глухой LS1221RE(A), Chandox
Гидроцилиндр глухой LS1221RE(A), Chandox

Артикул LS1221RE(A)

Скорость вращения, об/мин 6000

Ход поршня, мм 21

Момент инерции, кг·м2 0,03

Расход масла, л/мин 1,2

Цена по запросу
Под заказ
Гидроцилиндр глухой LS1120RE(A), Chandox
Гидроцилиндр глухой LS1120RE(A), Chandox

Артикул LS1120RE(A)

Скорость вращения, об/мин 6000

Ход поршня, мм 20

Момент инерции, кг·м2 0,02

Расход масла, л/мин 1,2

Цена по запросу
Под заказ
Гидроцилиндр глухой LS1330RE, Chandox
Гидроцилиндр глухой LS1330RE, Chandox

Артикул LS1330RE

Скорость вращения, об/мин 6000

Ход поршня, мм 30

Момент инерции, кг·м2 0,03

Расход масла, л/мин 1,2

Цена по запросу
Под заказ
Гидроцилиндр глухой LS1221RE, Chandox
Гидроцилиндр глухой LS1221RE, Chandox

Артикул LS1221RE

Скорость вращения, об/мин 6000

Ход поршня, мм 21

Момент инерции, кг·м2 0,03

Расход масла, л/мин 1,2

Цена по запросу
Под заказ
Гидроцилиндр глухой LS1120RE, Chandox
Гидроцилиндр глухой LS1120RE, Chandox

Артикул LS1120RE

Скорость вращения, об/мин 6000

Ход поршня, мм 20

Момент инерции, кг·м2 0,02

Расход масла, л/мин 1,2

Цена по запросу
Под заказ
Гидроцилиндр глухой L1530RC, Chandox
Гидроцилиндр глухой L1530RC, Chandox

Артикул L1530RC

Скорость вращения, об/мин 5500

Ход поршня, мм 30

Момент инерции, кг·м2 0,048

Расход масла, л/мин 1,2

Цена по запросу
Под заказ
Гидроцилиндр глухой L1225RC, Chandox
Гидроцилиндр глухой L1225RC, Chandox

Артикул L1225RC

Скорость вращения, об/мин 6000

Ход поршня, мм 25

Момент инерции, кг·м2 0,023

Расход масла, л/мин 1,2

Цена по запросу
Под заказ
Гидроцилиндр глухой L1020RC, Chandox
Гидроцилиндр глухой L1020RC, Chandox

Артикул L1020RC

Скорость вращения, об/мин 6000

Ход поршня, мм 20

Момент инерции, кг·м2 0,013

Расход масла, л/мин 1,2

Цена по запросу
Под заказ
Гидроцилиндр глухой L1530RA, Chandox
Гидроцилиндр глухой L1530RA, Chandox

Артикул L1530RA

Скорость вращения, об/мин 5500

Ход поршня, мм 30

Момент инерции, кг·м2 0,048

Расход масла, л/мин 1,2

Цена по запросу
Под заказ
Гидроцилиндр глухой L1020RA, Chandox
Гидроцилиндр глухой L1020RA, Chandox

Артикул L1020RA

Скорость вращения, об/мин 6000

Ход поршня, мм 20

Момент инерции, кг·м2 0,013

Расход масла, л/мин 1,2

Цена по запросу
Под заказ
Гидроцилиндр глухой L1225RA, Chandox
Гидроцилиндр глухой L1225RA, Chandox

Артикул L1225RA

Скорость вращения, об/мин 6000

Ход поршня, мм 25

Момент инерции, кг·м2 0,023

Расход масла, л/мин 1,2

Цена по запросу
Под заказ
Гидроцилиндр глухой L2035RE, Chandox
Гидроцилиндр глухой L2035RE, Chandox

Артикул L2035RE

Скорость вращения, об/мин 5500

Ход поршня, мм 35

Момент инерции, кг·м2 0,098

Расход масла, л/мин 0,8

Цена по запросу
Под заказ
Гидроцилиндр глухой L1530RE, Chandox
Гидроцилиндр глухой L1530RE, Chandox

Артикул L1530RE

Скорость вращения, об/мин 5500

Ход поршня, мм 30

Момент инерции, кг·м2 0,048

Расход масла, л/мин 0,8

Цена по запросу
Под заказ
Гидроцилиндр глухой L1225RE, Chandox
Гидроцилиндр глухой L1225RE, Chandox

Артикул L1225RE

Скорость вращения, об/мин 6000

Ход поршня, мм 25

Момент инерции, кг·м2 0,023

Расход масла, л/мин 0,8

Цена по запросу
Под заказ
Гидроцилиндр глухой L1020RE, Chandox
Гидроцилиндр глухой L1020RE, Chandox

Артикул L1020RE

Скорость вращения, об/мин 6000

Ход поршня, мм 20

Момент инерции, кг·м2 0,013

Расход масла, л/мин 0,8

Цена по запросу
Под заказ
Гидроцилиндр глухой L2035R, Chandox
Гидроцилиндр глухой L2035R, Chandox

Артикул L2035R

M 123.5

Производитель Chandox

Макс. рабочая сила сжатия, кгс (кН) 11300(110,8)

Площадь поршня, тянущая сторона, см2 290

Цена по запросу
Под заказ
Гидроцилиндр глухой L1530R, Chandox
Гидроцилиндр глухой L1530R, Chandox

Артикул L1530R

M 105

Производитель Chandox

Макс. рабочая сила сжатия, кгс (кН) 6300(61,8)

Площадь поршня, тянущая сторона, см2 160

Цена по запросу
Под заказ
Гидроцилиндр глухой L1225R, Chandox
Гидроцилиндр глухой L1225R, Chandox

Артикул L1225R

M 94

Производитель Chandox

Макс. рабочая сила сжатия, кгс (кН) 4500(44,1)

Площадь поршня, тянущая сторона, см2 113

Цена по запросу
Под заказ
Гидроцилиндр глухой L1020R, Chandox
Гидроцилиндр глухой L1020R, Chandox

Артикул L1020R

M 86

Производитель Chandox

Макс. рабочая сила сжатия, кгс (кН) 3100(30,4)

Площадь поршня, тянущая сторона, см2 79

Цена по запросу
Под заказ
Гидроцилиндр глухой L2035, Chandox
Гидроцилиндр глухой L2035, Chandox

Артикул L2035

M 119.5

Производитель Chandox

Макс. рабочая сила сжатия, кгс (кН) 11300(110,8)

Площадь поршня, тянущая сторона, см2 290

Цена по запросу
Под заказ
Гидроцилиндр глухой L1530, Chandox
Гидроцилиндр глухой L1530, Chandox

Артикул L1530

M 101

Производитель Chandox

Макс. рабочая сила сжатия, кгс (кН) 6300(61,8)

Площадь поршня, тянущая сторона, см2 160

Цена по запросу
Под заказ
Гидроцилиндр глухой L1225, Chandox
Гидроцилиндр глухой L1225, Chandox

Артикул L1225

M 91

Производитель Chandox

Макс. рабочая сила сжатия, кгс (кН) 4500(44,1)

Площадь поршня, тянущая сторона, см2 113

Цена по запросу
Под заказ
Гидроцилиндр глухой L1020, Chandox
Гидроцилиндр глухой L1020, Chandox

Артикул L1020

M 83

Производитель Chandox

Макс. рабочая сила сжатия, кгс (кН) 3100(30,4)

Площадь поршня, тянущая сторона, см2 79

Цена по запросу

Вопросы и ответы

Гарантия возврата

На возврат товара надлежащего качества дается до 14 дней, полная гарантия

Оплата

Безналичный расчет для юридических лиц с резервированием товара на 3 рабочих дня.

Доставка

Доставка любой ТК, отгрузка со склада за 1 день. Бесплатная доставка до терминала ТК

Ваш менеджер
Задел
Горячая линия Задел