Характеристики
- Производитель GSA
- Тип Многошпиндельный
- Ширина Т – образного паза 10H7 мм
- Тип тормоза Пневматический
- Ширина ползуна 14H7 мм
- Макс. скорость стола мин-1 33 | 3 мин-1
- Повторяемость 4/8 сек
- Сила зажима 12 Н*м
Описание
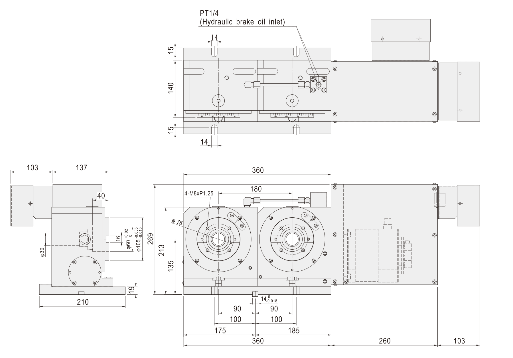
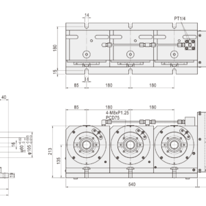
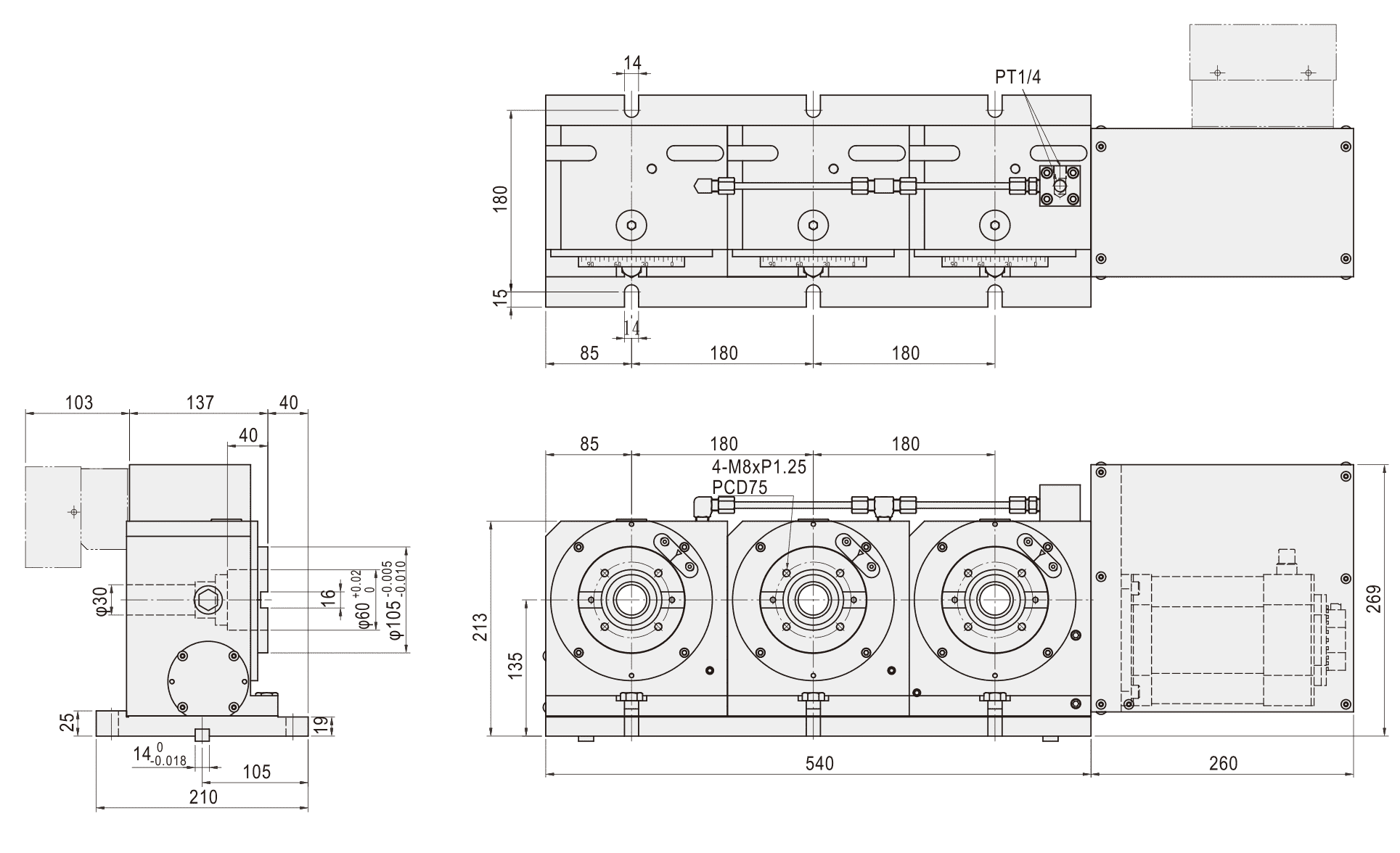
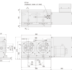
Многошпиндельный индексный поворотный стол c ЧПУ GSA CNC-120-2W(3W)(4W)

- Диаметр рабочего стола Ø120, диаметр центрального отверстия 30H7;
- Максимальная скорость стола 33.3 мин-1;
- Кратное сокращение времени на обработку, благодаря нескольким рабочим столам;
- Многоточечная пневматическая тормозная система обеспечивает усиленный момент зажима;
- Совместим со всеми системами ЧПУ.
Преимущества поворотных столов GSA:
Двухзаходной червячный вал
✔️Обеспечивает повышенную сопротивляемость износу;
✔️Поверхностный контакт между червячным колесом и червячным валом может достигать 35%~45%;
✔️ Подходит для работ в тяжелых режимах.
Высокая точность индексации
✔️ Класс точности индексирования: 10 (сек.) при стандартных 15 сек;
✔️ Повторяемость: 4 (сек.);
✔️Соответствует международным стандартам ISO 230-2, благодаря чему подходит для аэрокосмической и военной промышленности.
Усиленная система планшайбы
✔️Усилие зажима больше в 2 ~ 3 раза по сравнению с другими брендами-производителями;
✔️ Система из нескольких тормозных дисков обеспечивает зажим с 4х сторон трения;
✔️ Крутящий момент 200 кг/м от пневматического источника 5 кг/ см2;
✔️ Повышенная прочность конструкции исключает вертикальное смещение оси во время вращения.
Усиленная система подшипников
✔️ Разработано ограничение с 3 сторон, которое поддерживает усилие больше, чем тот же размер поперечного роликового кольца (подшипника) более чем в 2 раза;
✔️ Двойные подшипники увеличивают рабочий диаметр кольца подшипника и подходят для тяжелой резки.
Класс точности муфт Хирта
Класс точности индексирования: ±3 (сек.);
✔️ Повторяемость: ±1 (сек.);
✔️ Пятно контакта поверхности зубов может достигать 90%.
Передаточное число
✔️ Высокоскоростные столы GSA соответствуют требованиям высокоскоростных станков с холостым ходом 60 м/мин;
✔️ Передаточное отношение 90: 1 может достигать 33 об / мин, при скорости двигателя: 3000 об / мин.
Характеристики
- Производитель: GSA
- Тип: Многошпиндельный
- Ширина Т – образного паза: 10H7 мм
- Тип тормоза: Пневматический
- Ширина ползуна: 14H7 мм
- Макс. скорость стола мин-1: 33 | 3 мин-1
- Повторяемость: 4/8 сек
- Сила зажима: 12 Н*м
- Передаточное число: 2:00
- Max нагрузка (вертикально): 6000 кг
- Вес нетто (без серво двигателя): 84 кг