Характеристики
- Производитель GSA
- Тип Горизонтальный
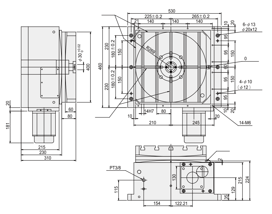
- Диаметр стола 400 мм
- сквозного отверстия -
- Высота стола горизонталь 310 мм
- Ширина Т – образного паза 14H7 мм
- Тип тормоза Пневматический
- Ширина ползуна -
Описание
Горизонтальный крупногабаритный поворотный стол c ЧПУ HRT-400

- Размер рабочего стола 400 мм, ширина Т-паза 14мм;
- Крутящий момент 122кг/м ;
- Конструкция с двойным червячным колесом и червячным винтом из закаленной стали, обеспечивает долговременную точность индексации.
Преимущества поворотных столов GSA:
Высокая точность индексации
✔️ Класс точности индексирования: 10 (сек.) при стандартных 15 сек;
✔️ Повторяемость: 4 (сек.);
✔️Соответствует международным стандартам ISO 230-2, благодаря чему подходит для аэрокосмической и военной промышленности.
Усиленная система планшайбы
✔️Усилие зажима больше в 2 ~ 3 раза по сравнению с другими брендами-производителями;
✔️ Система из нескольких тормозных дисков обеспечивает зажим с 4х сторон трения;
✔️ Крутящий момент 200 кг/м от пневматического источника 5 кг/ см2;
✔️ Повышенная прочность конструкции исключает вертикальное смещение оси во время вращения.
Усиленная система подшипников
✔️ Разработано ограничение с 3 сторон, которое поддерживает усилие больше, чем тот же размер поперечного роликового кольца (подшипника) более чем в 2 раза;
✔️ Двойные подшипники увеличивают рабочий диаметр кольца подшипника и подходят для тяжелой резки.
Класс точности муфт Хирта
Класс точности индексирования: ±3 (сек.);
✔️ Повторяемость: ±1 (сек.);
✔️ Пятно контакта поверхности зубов может достигать 90%.
Передаточное число
✔️ Высокоскоростные столы GSA соответствуют требованиям высокоскоростных станков с холостым ходом 60 м/мин;
✔️ Передаточное отношение 90: 1 может достигать 33 об / мин, при скорости двигателя: 3000 об / мин.
Характеристики
- Производитель: GSA
- Тип: Горизонтальный
- Диаметр стола: 400 мм
- сквозного отверстия: -
- Высота стола горизонталь: 310 мм
- Ширина Т – образного паза: 14H7 мм
- Тип тормоза: Пневматический
- Ширина ползуна: -
- Тип тормоза/давление, (Мпа): пневм/0.6
- Макс. скорость стола мин-1: 1585 мин-1
- Повторяемость: 4 сек
- Сила зажима: 3500 Н*м
- Вес нетто (без серво двигателя): -