Характеристики
- Производитель Hold Well
- Сверление Ø14
- Резьба M10
- Шпиндель ER 25
- Max. скорость 6000 об/мин
- Передаточное число 1:1
- Тип BT 50
- Крутящий момент 25Нм
Описание
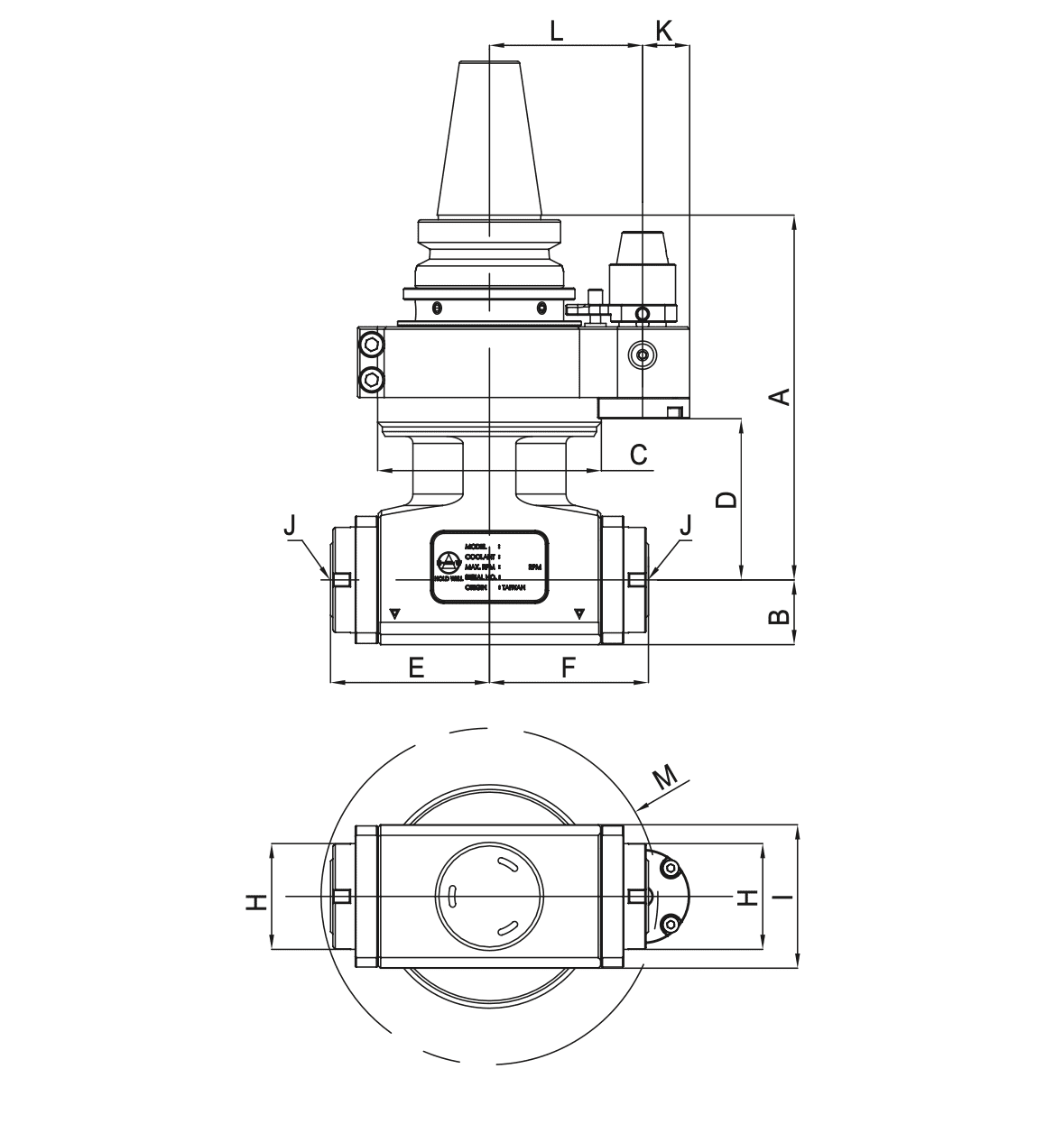
Двусторонняя угловая головка типа BT AHL-BT50-H1.80/110
Диаметр сверления – Ø14 мм, резьба M10. Максимальная скорость вращения – 6000 об/мин.
Компактная и легкая конструкция корпуса обеспечивает дополнительную прочность, маслостойкость, пыленепроницаемость и долговечность.
Возможность автоматической смены инструмента повышает производительность резки.
Корпус изготовлен из аэрокосмического сплава и легированной стали обеспечивает долгий период эксплуатации.
Конструкция с закрытым позиционирующим штифтом обуспечивает направление резки от 0° до 360°, что создает возможность увеличения момента зажима и сохранение направления резки во время обработки.

A 162 | B 27.5 | C 95 | D 68.5 | E 67.5 | F 67.5 | H 45 |I 61 | J 1˜16 (ER25 I.N) | K 20 | L 80/110 | M 143
Вращение выходного сигнала идентично входному.
Характеристики
- Производитель: Hold Well
- Сверление: Ø14
- Резьба: M10
- Шпиндель: ER 25
- Max. скорость: 6000 об/мин
- Передаточное число: 1:1
- Тип: BT 50
- Крутящий момент: 25Нм
- Материал: Аэрокосмический сплав
- Биение: 0.002 mm