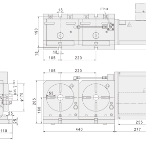
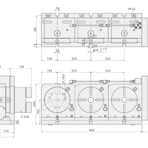
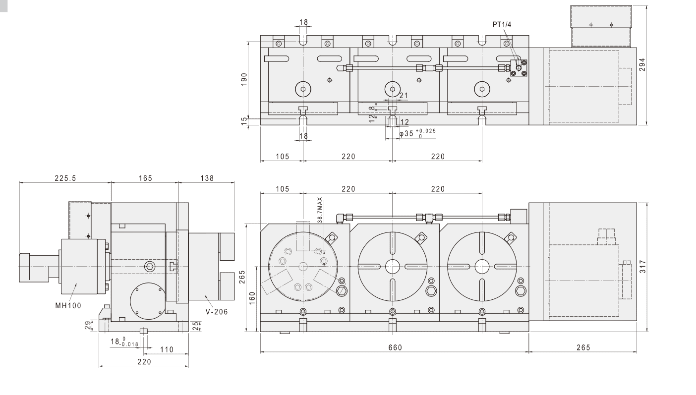
Характеристики
- Производитель GSA
- Тип Многошпиндельный
- Диаметр стола 170 мм
- сквозного отверстия 35H7 мм
- Высота стола горизонталь 135 мм
- Ширина Т – образного паза 12H7 мм
- Тип тормоза Пневматический
- Ширина ползуна 18H7 мм
Описание
Многошпиндельный индексный поворотный стол c ЧПУ GSA CNC-170R-2W(3W)(4W)

- Диаметр рабочего стола Ø170, диаметр центрального отверстия 35H7;
- Максимальная скорость стола 22.2 мин-1;
- Кратное сокращение времени на обработку, благодаря нескольким рабочим столам;
- Многоточечная пневматическая тормозная система обеспечивает усиленный момент зажима;
- Совместим со всеми системами ЧПУ.
Преимущества поворотных столов GSA:
Двухзаходной червячный вал
✔️Обеспечивает повышенную сопротивляемость износу;
✔️Поверхностный контакт между червячным колесом и червячным валом может достигать 35%~45%;
✔️ Подходит для работ в тяжелых режимах.
Высокая точность индексации
✔️ Класс точности индексирования: 10 (сек.) при стандартных 15 сек;
✔️ Повторяемость: 4 (сек.);
✔️Соответствует международным стандартам ISO 230-2, благодаря чему подходит для аэрокосмической и военной промышленности.
Усиленная система планшайбы
✔️Усилие зажима больше в 2 ~ 3 раза по сравнению с другими брендами-производителями;
✔️ Система из нескольких тормозных дисков обеспечивает зажим с 4х сторон трения;
✔️ Крутящий момент 200 кг/м от пневматического источника 5 кг/ см2;
✔️ Повышенная прочность конструкции исключает вертикальное смещение оси во время вращения.
Усиленная система подшипников
✔️ Разработано ограничение с 3 сторон, которое поддерживает усилие больше, чем тот же размер поперечного роликового кольца (подшипника) более чем в 2 раза;
✔️ Двойные подшипники увеличивают рабочий диаметр кольца подшипника и подходят для тяжелой резки.
Класс точности муфт Хирта
Класс точности индексирования: ±3 (сек.);
✔️ Повторяемость: ±1 (сек.);
✔️ Пятно контакта поверхности зубов может достигать 90%.
Передаточное число
✔️ Высокоскоростные столы GSA соответствуют требованиям высокоскоростных станков с холостым ходом 60 м/мин;
✔️ Передаточное отношение 90: 1 может достигать 33 об / мин, при скорости двигателя: 3000 об / мин.
Характеристики
- Производитель: GSA
- Тип: Многошпиндельный
- Диаметр стола: 170 мм
- сквозного отверстия: 35H7 мм
- Высота стола горизонталь: 135 мм
- Ширина Т – образного паза: 12H7 мм
- Тип тормоза: Пневматический
- Ширина ползуна: 18H7 мм
- Тип тормоза/давление, (Мпа): пневм/0.6
- Макс. скорость стола мин-1: 22 | 2 мин-1
- Повторяемость: 4/8 сек
- Сила зажима: 23 Н*м
- Передаточное число: 2:30
- Max нагрузка (вертикально): 100 кг
- Max нагрузка (горизонт.): 200 кг
- Вес нетто (без серво двигателя): 210 кг