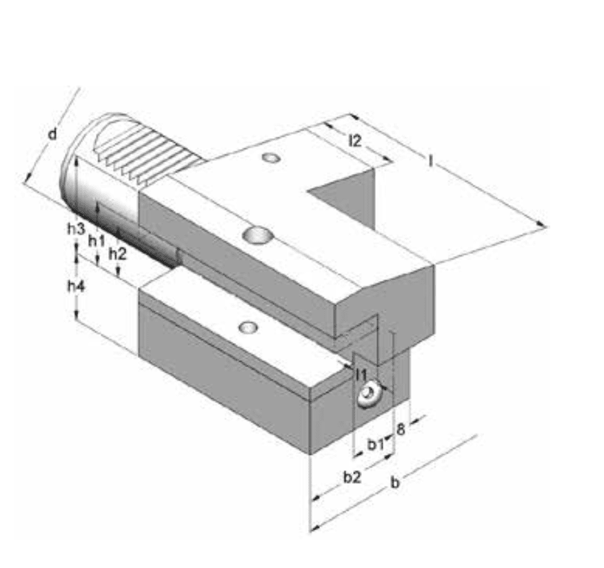
Характеристики
- Производитель EVERMORE, Hold Well
- Размер VDI 30
- Высота h1 20
- h4 С4
- Исполнение держателя Левое
- Длина L1 10
- b 74
- b1 21
Описание
Резцедержатель VDI30 обратный аксиальный типа C4 30x20x75.
Предназначается для наружной токарной обработки: цилиндрической, конической, контурной, а также для торцевого точения.
Резцы устанавливаются пластиной вниз и находятся выше оси центров.
Базовая опорная поверхность резцедержателя расположена выше оси центров вдоль хвостовика.
Инструмент фиксируется двумя винтами, расположенными на верхней части корпуса резцедержателя. Есть возможность удержания прихвата в пазе и плавного его перемещения, благодаря дополнительному винту с пружиной.
Резцедержатель C4 30x20x75 взаимозаменяем и подходит для быстрой фиксации и замены и наладки инструмента.
Оснащен внутренним отверстием под СОЖ, направление потока которой регулируется с помощью шарика.
Характеристики
- Производитель: EVERMORE, Hold Well
- Размер VDI: 30
- Высота h1: 20
- h4: С4
- Исполнение держателя: Левое
- Длина L1: 10
- b: 74
- b1: 21
- b2: 35
- h2: 16
- h3: 28
- i: 70
- N: 101
