Блок приводной с изменяемым углом VDI60-ER40-1809 внеш. СОЖ (DA60180940B) Evermore - купить в Компания "Задел" с доставкой

Этот сайт использует cookie, чтобы обеспечить удобство работы пользователей, а также в технических, аналитических и рекламных целях. Нажимая кнопку «Принять» и/или продолжая работу с сайтом, Вы даете Согласие на обработку ваших персональных данных в соответствии с Политикой обработки персональных данных.

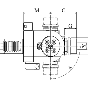
Блок приводной с изменяемым углом VDI60-ER40-1809 внеш. СОЖ (DA60180940B) Evermore

Артикул: DA60180940B

Характеристики

  • Производитель Evermore
  • Скорость вращения, об/мин 4000
  • S, мм 63
  • D, мм 60
  • Подача СОЖ Внешняя
  • Приводная муфта DIN 1809
  • Тип блока С изменяемым углом
  • M, мм 97
Все характеристики

Описание

Приводной блок DA60180940B с изменяемым углом поворота, стандартом хвостовика – VDI и внешней подачей СОЖ.

Размер посадки – ER 40, типоразмер хвостовика – 60. Максимальная скорость вращения – 4000 об/мин.

 

блок evermore

Подходит для цанг со стандартом DIN6499.

Хвостовик VDI имеет двухстороннюю проточку для универсальной установки в лево- и право- сторонние револьверные головки.

Характеристики

  • Производитель: Evermore
  • Скорость вращения, об/мин: 4000
  • S, мм: 63
  • D, мм: 60
  • Подача СОЖ: Внешняя
  • Приводная муфта: DIN 1809
  • Тип блока: С изменяемым углом
  • M, мм: 97
  • G, мм: 38
  • F, мм: 55
  • E, мм: 92.5
  • C, мм: 99
  • B, мм: 108
  • A, мм: ±90°
  • Типоразмер: VDI60
  • X: ER40 (3-26)
  • Типоразмер хвостовика: 60
  • Размер посадки: ER40
  • Стандарт хвостовика: VDI
  • Макс. об/мин: 4000
  • S.: 63
  • A: ±90°
  • B: 108
  • C: 99
  • E: 92.5
  • F: 55
  • G: 38
  • H: 87
  • Вес: 15.2
В наличии
Подарок за первый заказ. Запросите предложение

Похожие товары

В наличии
Блок приводной с изменяемым углом VDI50-ER25-1809 внеш. СОЖ (DA450180925B) Evermore
Блок приводной с изменяемым углом VDI50-ER25-1809 внеш. СОЖ (DA450180925B) Evermore

Артикул DA450180925B

Типоразмер VDI50

Скорость вращения, об/мин 4000

A, мм ±90°

B, мм 90

В наличии
Блок приводной с изменяемым углом VDI30-ER16A-1809 внеш. СОЖ (DA30180916BAC) Evermore
Блок приводной с изменяемым углом VDI30-ER16A-1809 внеш. СОЖ (DA30180916BAC) Evermore

Артикул DA30180916BAC

Производитель Evermore

Типоразмер VDI30

Скорость вращения, об/мин 4000

A, мм ±90°

Угловой приводной блок ER16 Nakamura
Угловой приводной блок ER16 Nakamura

Артикул THM-E09.35-55N

Производитель Hold Well

Назначение BMT 55

Размер посадки ER16

Вид блока Nakamura

Угловой приводной блок ER16 Korean BMT
Угловой приводной блок ER16 Korean BMT

Артикул THM-M04.7048-55C

Производитель Hold Well

Назначение BMT 55

Размер посадки ER16

Вид блока Korean BMT

В наличии
Блок приводной с изменяемым углом VDI50-ER25-MT внеш. СОЖ (DA50MT25B) Evermore
Блок приводной с изменяемым углом VDI50-ER25-MT внеш. СОЖ (DA50MT25B) Evermore

Артикул DA50MT25B

Производитель Evermore

Скорость вращения, об/мин 4000

S, мм 42

D, мм 50

В наличии
Блок приводной с изменяемым углом VDI40-ER25-MT внеш. СОЖ (DA40MT25B) Evermore
Блок приводной с изменяемым углом VDI40-ER25-MT внеш. СОЖ (DA40MT25B) Evermore

Артикул DA40MT25B

Производитель Evermore

Скорость вращения, об/мин 4000

S, мм 42

D, мм 40

В наличии
Блок приводной с изменяемым углом VDI30-ER20-MT внеш. СОЖ (DA30MT20B) Evermore
Блок приводной с изменяемым углом VDI30-ER20-MT внеш. СОЖ (DA30MT20B) Evermore

Артикул DA30MT20B

Производитель Evermore

Скорость вращения, об/мин 4000

S, мм 35

D, мм 30

VDI40-ER32 Угловой приводной блок HASS-DA40-32B-117
VDI40-ER32 Угловой приводной блок HASS-DA40-32B-117

Артикул HASS-DA40-32B-117

Производитель Evermore

Типоразмер хвостовика 40

Размер посадки ER32

Стандарт хвостовика VDI

VDI40-ER25 Угловой приводной блок HASS-DA40-25B-117
VDI40-ER25 Угловой приводной блок HASS-DA40-25B-117

Артикул HASS-DA40-25B-117

Производитель Evermore

Типоразмер хвостовика 40

Размер посадки ER25

Стандарт хвостовика VDI

В наличии
Блок приводной с изменяемым углом VDI40-ER25-5482 внеш. СОЖ (DA40548225B) Evermore
Блок приводной с изменяемым углом VDI40-ER25-5482 внеш. СОЖ (DA40548225B) Evermore

Артикул DA40548225B

Производитель Evermore

Скорость вращения, об/мин 4000

X ER25 (1-16)

S, мм 42

В наличии
Блок приводной с изменяемым углом VDI50-ER25-5482 внеш. СОЖ (DA50548225B) Evermore
Блок приводной с изменяемым углом VDI50-ER25-5482 внеш. СОЖ (DA50548225B) Evermore

Артикул DA50548225B

Производитель Evermore

Скорость вращения, об/мин 4000

X ER25 (1-16)

S, мм 42

В наличии
Блок приводной с изменяемым углом VDI30-ER20-5482 внеш. СОЖ (DA30548220B) Evermore
Блок приводной с изменяемым углом VDI30-ER20-5482 внеш. СОЖ (DA30548220B) Evermore

Артикул DA30548220B

Производитель Evermore

Скорость вращения, об/мин 4000

X ER20 (1-13)

S, мм 35

В наличии
Блок приводной с изменяемым углом VDI60-ER40-5480 внеш. СОЖ (DA60548040B) Evermore
Блок приводной с изменяемым углом VDI60-ER40-5480 внеш. СОЖ (DA60548040B) Evermore

Артикул DA60548040B

Производитель Evermore

Скорость вращения, об/мин 4000

X ER40 (3-26)

S, мм 63

В наличии
Блок приводной с изменяемым углом VDI50-ER25-5480 внеш. СОЖ (DA50548025B) Evermore
Блок приводной с изменяемым углом VDI50-ER25-5480 внеш. СОЖ (DA50548025B) Evermore

Артикул DA50548025B

Производитель Evermore

Скорость вращения, об/мин 4000

X ER25 (1-16)

S, мм 42

В наличии
Блок приводной с изменяемым углом VDI40-ER25-5480 внеш. СОЖ (DA40548025B) Evermore
Блок приводной с изменяемым углом VDI40-ER25-5480 внеш. СОЖ (DA40548025B) Evermore

Артикул DA40548025B

Производитель Evermore

Скорость вращения, об/мин 4000

X ER25 (1-16)

S, мм 42

В наличии
Блок приводной с изменяемым углом VDI30-ER20-5480 внеш. СОЖ (DA30548020B) Evermore
Блок приводной с изменяемым углом VDI30-ER20-5480 внеш. СОЖ (DA30548020B) Evermore

Артикул DA30548020B

Производитель Evermore

Скорость вращения, об/мин 4000

X ER20 (1-13)

S, мм 35

В наличии
Блок приводной с изменяемым углом VDI60-ER40-1809 внеш. СОЖ (DA60180940B) Evermore
Блок приводной с изменяемым углом VDI60-ER40-1809 внеш. СОЖ (DA60180940B) Evermore

Артикул DA60180940B

Производитель Evermore

Скорость вращения, об/мин 4000

S, мм 63

D, мм 60

В наличии
Блок приводной с изменяемым углом VDI50-ER25-1809 внеш. СОЖ (DA50180925B) Evermore
Блок приводной с изменяемым углом VDI50-ER25-1809 внеш. СОЖ (DA50180925B) Evermore

Артикул DA50180925B

Производитель Evermore

Скорость вращения, об/мин 4000

S, мм 42

D, мм 50

В наличии
Блок приводной с изменяемым углом VDI40-ER25-1809 внеш. СОЖ (DA40180925B) Evermore
Блок приводной с изменяемым углом VDI40-ER25-1809 внеш. СОЖ (DA40180925B) Evermore

Артикул DA40180925B

Производитель Evermore

Скорость вращения, об/мин 4000

S, мм 42

D, мм 40

В наличии
Блок приводной с изменяемым углом VDI30-ER20-1809 внеш. СОЖ (DA30180920B) Evermore
Блок приводной с изменяемым углом VDI30-ER20-1809 внеш. СОЖ (DA30180920B) Evermore

Артикул DA30180920B

Производитель Evermore

Скорость вращения, об/мин 4000

S, мм 35

D, мм 30

В наличии
Блок приводной с изменяемым углом VDI30-ER20-1809 внеш. СОЖ (DA30180920B/L) Evermore
Блок приводной с изменяемым углом VDI30-ER20-1809 внеш. СОЖ (DA30180920B/L) Evermore

Артикул DA30180920B/L

Производитель Evermore

Скорость вращения, об/мин 4000

S, мм 35

D, мм 60

Вопросы и ответы

Гарантия возврата

На возврат товара надлежащего качества дается до 14 дней, полная гарантия

Оплата

Безналичный расчет для юридических лиц с резервированием товара на 3 рабочих дня.

Доставка

Доставка любой ТК, отгрузка со склада за 1 день. Бесплатная доставка до терминала ТК

Ваш менеджер
Задел
Горячая линия Задел