Характеристики
- Производитель Evermore
- Скорость вращения, об/мин 4000
- X ER40 (3-26)
- S, мм 63
- D, мм 60
- Подача СОЖ Внешняя
- Приводная муфта DIN 5480
- Тип блока С изменяемым углом
Описание
Приводной блок DA60548040B с изменяемым углом поворота, стандартом хвостовика – VDI и внешней подачей СОЖ.
Размер посадки – ER 40, типоразмер хвостовика – 60. Максимальная скорость вращения – 4000 об/мин.

Подходит для цанг со стандартом DIN6499 (не входят в комплект).
Хвостовик VDI имеет двухстороннюю проточку для универсальной установки в лево- и право- сторонние револьверные головки.
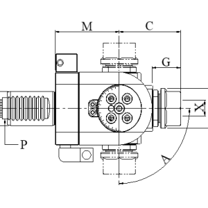
Характеристики
- Производитель: Evermore
- Скорость вращения, об/мин: 4000
- X: ER40 (3-26)
- S, мм: 63
- D, мм: 60
- Подача СОЖ: Внешняя
- Приводная муфта: DIN 5480
- Тип блока: С изменяемым углом
- M, мм: 97
- G, мм: 39
- F, мм: 55
- E, мм: 92.5
- C, мм: 96
- B, мм: 108
- A, мм: ±90°
- Типоразмер: VDI60
- P: W30x1,25
- Типоразмер хвостовика: 60
- Размер посадки: ER40
- Стандарт хвостовика: VDI
- Макс. об/мин: 4000
- S.: 63
- A: ±90°
- B: 104
- C: 92.5
- E: 92.5
- F: 55
- G: 38
- H: 97
- P DIN 5480: W30 x 1.25
- Вес: 16.2