Характеристики
- Производитель Evermore
- Скорость вращения, об/мин 4000
- X ER25 (1-16)
- S, мм 42
- D, мм 50
- Подача СОЖ Внешняя
- Приводная муфта DIN 5480
- Тип блока С изменяемым углом
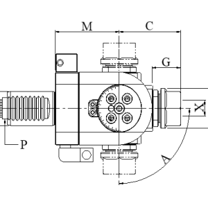
Описание
Приводной блок DA50548025B с изменяемым углом поворота, стандартом хвостовика – VDI и внешней подачей СОЖ.
Размер посадки – ER 25, типоразмер хвостовика – 50. Максимальная скорость вращения – 4000 об/мин.

Подходит для цанг со стандартом DIN6499 (не входят в комплект).
Хвостовик VDI имеет двухстороннюю проточку для универсальной установки в лево- и право- сторонние револьверные головки.
Характеристики
- Производитель: Evermore
- Скорость вращения, об/мин: 4000
- X: ER25 (1-16)
- S, мм: 42
- D, мм: 50
- Подача СОЖ: Внешняя
- Приводная муфта: DIN 5480
- Тип блока: С изменяемым углом
- M, мм: 85
- G, мм: 32
- F, мм: 45
- E, мм: 85
- C, мм: 80
- B, мм: 90
- A, мм: ±90°
- Типоразмер: VDI50
- P: W24x1,25
- Типоразмер хвостовика: 50
- Размер посадки: ER25
- Стандарт хвостовика: VDI
- Макс. об/мин: 4000
- S.: 42
- A: ±90°
- B: 90
- C: 76.5
- E: 76.5
- F: 45
- G: 32
- H: 85
- P DIN 5480: W24 x 1.25
- Вес: 9.2