Характеристики
- Производитель Evermore
- Скорость вращения, об/мин 4000
- X ER25 (1-16)
- S, мм 42
- D, мм 40
- Подача СОЖ Внешняя
- Приводная муфта DIN 5482
- Тип блока С изменяемым углом
Описание
Приводной блок DA40548225B с изменяемым углом поворота, стандартом хвостовика – VDI и внешней подачей СОЖ.
Размер посадки – ER 25, типоразмер хвостовика – 40. Максимальная скорость вращения – 400 об/мин.

Подходит для цанг со стандартом DIN6499 (не входят в комплект).
Хвостовик VDI имеет двухстороннюю проточку для универсальной установки в лево- и право- сторонние револьверные головки.
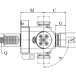
Характеристики
- Производитель: Evermore
- Скорость вращения, об/мин: 4000
- X: ER25 (1-16)
- S, мм: 42
- D, мм: 40
- Подача СОЖ: Внешняя
- Приводная муфта: DIN 5482
- Тип блока: С изменяемым углом
- M, мм: 70
- G, мм: 29
- F, мм: 38
- E, мм: 65
- C, мм: 65
- B, мм: 76
- A, мм: ±90°
- Типоразмер: VDI40
- Q: B17x14
- Типоразмер хвостовика: 40
- Размер посадки: ER25
- Стандарт хвостовика: VDI
- Макс. об/мин: 400
- S.: 42
- A: ±90°
- B: 76
- C: 65
- E: 65
- F: 38
- G: 29
- M: 70
- Q DIN 5480: B17 x 14
- Вес: 5.1