Характеристики
- Производитель Evermore
- Скорость вращения, об/мин 4000
- X ER20 (1-13)
- S, мм 35
- D, мм 30
- Подача СОЖ Внешняя
- Приводная муфта DIN 5480
- Тип блока С изменяемым углом
Описание
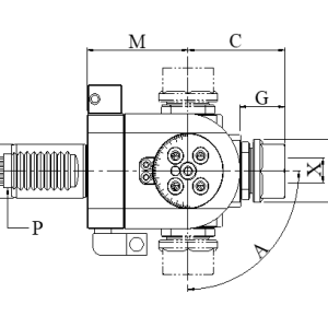
Приводной блок DA30548020B с изменяемым углом поворота, стандартом хвостовика – VDI и внешней подачей СОЖ.
Размер посадки – ER 20, типоразмер хвостовика – 30. Максимальная скорость вращения – 4000 об/мин.

Подходит для цанг со стандартом DIN6499.
Хвостовик VDI имеет двухстороннюю проточку для универсальной установки в лево- и право- сторонние револьверные головки.
Характеристики
- Производитель: Evermore
- Скорость вращения, об/мин: 4000
- X: ER20 (1-13)
- S, мм: 35
- D, мм: 30
- Подача СОЖ: Внешняя
- Приводная муфта: DIN 5480
- Тип блока: С изменяемым углом
- M, мм: 62
- G, мм: 27
- F, мм: 32
- E, мм: 54
- C, мм: 59
- B, мм: 64
- A, мм: ±90°
- Типоразмер: VDI30
- P: W16x0,8
- Типоразмер хвостовика: 30
- Размер посадки: ER20
- Стандарт хвостовика: VDI
- Макс. об/мин: 4000
- S.: 35
- A: ±90°
- B: 64
- C: 59
- E: 54
- F: 32
- G: 27
- H: 67
- P DIN 5480: W16 x 0.8
- Вес: 3.1