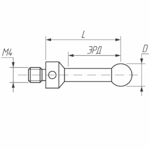
Характеристики
- Резьба M4
- Диаметр наконечника (мм) 6
- Материал стержня Нержавеющая сталь
- Материал наконечника Синтетический рубин
- Тип наконечника Сферический
- ЭРД, ММ 14
- Длина L (мм) 20
- Габариты, мм 15 × 10 × 10 cm
Описание
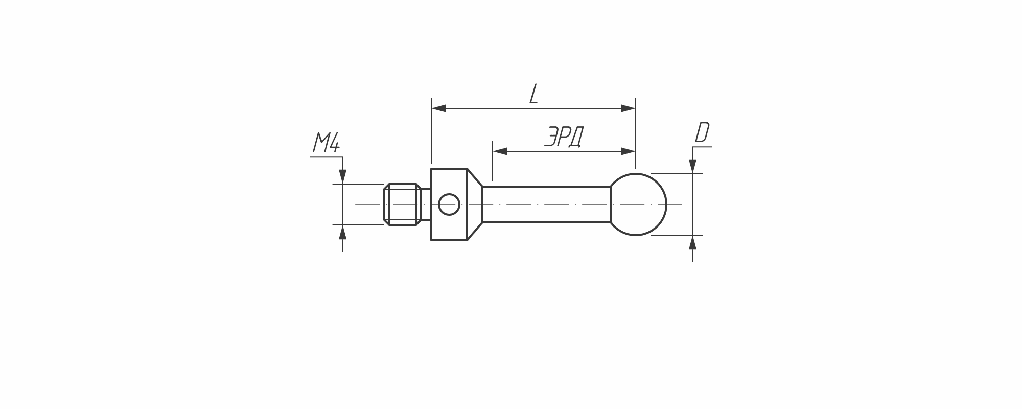
Щуп прямой М4, наконечник Ø 6 мм из синтетического рубина, стержень 20 мм из нержавеющей стали.
Предназначается для беспрепятственного измерения деталей простой формы.
Стержень щупа – 20 мм, изготовленный из нержавеющей стали, обладает высокой жесткостью при малом весе и предназначается для измерений без требований по весу.
Шарик наконечника Ø 6 мм , выполненный из синтетического рубина, обладает высокой сферичностью и минимальным износом.
Минимальная масса наконечника обеспечивает точность срабатывания датчика при движении или вибрации станка.
Эффективная рабочая длина (ЭРД) щупа – 14 мм. Это расстояние, на которое может проникнуть шарик, прежде чем стержень щупа соприкоснётся с поверхностью детали.
Не подходит для измерения алюминиевых деталей.
Характеристики
- Резьба: M4
- Диаметр наконечника (мм): 6
- Материал стержня: Нержавеющая сталь
- Материал наконечника: Синтетический рубин
- Тип наконечника: Сферический
- ЭРД, ММ: 14
- Длина L (мм): 20
- Габариты, мм: 15 × 10 × 10 cm
- Вес, кг: 0.5
- Производитель: Pioneer
