Характеристики
- Производитель Hold Well
- Сверление Ø12
- Резьба M8
- Шпиндель ER 20
- Max. скорость 6000 об/мин
- Передаточное число 1:1
- Тип CAT 40
- Крутящий момент 15Нм
Описание
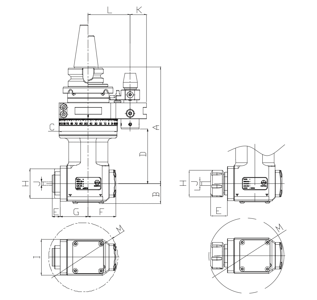
Алюминиевая угловая головка типа CAT AHM-CAT40-A10.180G
Диаметр сверления – Ø12 мм, резьба M8. Максимальная скорость вращения – 6000 об/мин.
Компактная и более легкая конструкция корпуса подходит для станков с магазином малой загрузки и высокоскоростной системой УВД.
Возможность автоматической смены инструмента повышает производительность резки.
Корпус изготовлен из аэрокосмического алюминиевого сплава и обеспечивает прочность и легкость корпуса.
Конструкция с закрытым позиционирующим штифтом обуспечивает направление резки от 0° до 360°, что создает возможность увеличения момента зажима и сохранение направления резки во время обработки.

A 180 | B 31.2 | C 90 | D 84.5 | E 12 | F 43 | G 43.5 | H 43 | I 60 | J 1˜13 (ER20 I.N) | K 25 | L 65 | M 120
Вращение выходного сигнала обратно входному.
Характеристики
- Производитель: Hold Well
- Сверление: Ø12
- Резьба: M8
- Шпиндель: ER 20
- Max. скорость: 6000 об/мин
- Передаточное число: 1:1
- Тип: CAT 40
- Крутящий момент: 15Нм
- Материал: Аэрокосмический сплав
- Биение: 0.002 mm